Dreaming of a spa-like shower experience with two shower headsโbut worried about the plumbing complexity? Youโre not alone. Many homeowners want the luxury of a rainfall and handheld combo but get stuck on how to route water correctly using a 2 shower head installation plumbing diagram main vale transfer valve setup. In this guide, weโll demystify the process with expert-backed steps, clear diagrams, and practical tips so you can install it safely and efficientlyโeven if youโve never touched a pipe wrench before.
Why Use a Transfer Valve for Dual Shower Heads?
A common misconception is that two shower heads can simply be โTโdโ off the same line. While that might work temporarily, it often leads to low water pressure, temperature fluctuations, or even code violations.
The solution? A diverter or transfer valveโa specialized plumbing component that lets you control water flow to one or both shower heads without compromising pressure or safety.
According to the International Plumbing Code (IPC), any fixture that diverts water must prevent backflow and maintain balanced pressure. A proper transfer valve does exactly that.
โUsing a transfer valve isnโt just about convenienceโitโs about compliance and performance,โ says Maria Chen, master plumber with 18 years of experience in residential plumbing systems.
Understanding Your Plumbing Components
Before installing, know the key parts of your system:
| Component | Function |
|---|---|
| Main Shut-Off Valve | Cuts water supply to the entire bathroom (or house). Always turn this off before starting! |
| Transfer (Diverter) Valve | Routes water to either shower head, both, or neither. Available as 2-way or 3-way. |
| Shower Arms & Heads | Delivery points. Ensure both are compatible with your valveโs flow rate (typically 2.0โ2.5 GPM each). |
| Mixing Valve | Blends hot and cold water to prevent scalding (required by code in most U.S. states). |
๐ก Pro Tip: Always install a pressure-balancing mixing valve alongside your transfer valve. This prevents sudden temperature spikes if someone flushes a toilet elsewhere in the house.
For more on valve types, see the Wikipedia entry on plumbing valves.

Step-by-Step Installation Guide
Follow these steps carefully. Allow 4โ6 hours for a first-time DIYer. Always check local plumbing codes firstโpermits may be required.
Step 1: Turn Off Water & Drain Lines
- Shut off the main water valve to your bathroom (or whole house).
- Open existing shower faucets to drain residual water.
- Place towels and a bucket under work area.
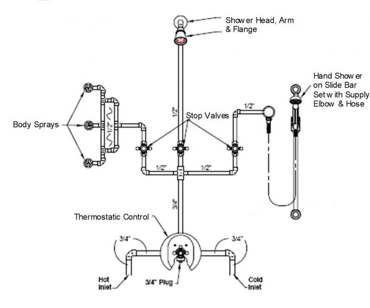
Step 2: Plan Your Layout Using a Plumbing Diagram
Hereโs a simplified 2 shower head plumbing diagram:
1234567
- The transfer valve should be installed after the mixing valve.
- Use ยฝ-inch PEX or copper tubing for branch lines to each shower head.
- Maintain at least 8 inches of vertical clearance between valve and shower arms for access.
Step 3: Install the Mixing Valve
- Mount the valve body securely to a stud.
- Connect hot and cold supply lines (label them!).
- Test for leaks before proceeding.
Step 4: Install the Transfer Valve
- Choose a 3-way transfer valve if you want options: top head only, handheld only, or both.
- Connect the inlet from the mixing valve to the transfer valveโs input port.
- Run separate lines from the transfer valveโs outputs to each shower arm.
โ ๏ธ Critical Detail: Use thread seal tape (Teflon tape) on all male threadsโwrap clockwise, 3โ4 layers. Over-tightening can crack brass fittings!
Step 5: Mount Shower Arms & Heads
- Screw shower arms into wall elbows (hand-tight plus ยผ turn with wrench).
- Attach shower headsโdonโt overtighten plastic components.
Step 6: Pressure Test Before Closing Walls
- Turn main water back on slowly.
- Open transfer valve to each position and check for leaks at all joints.
- Run water for 2โ3 minutes to flush debris.
If youโre installing behind tile, do not seal walls until leak test passes.
Transfer Valve Types: Which One Do You Need?
Not all valves are equal. Hereโs a quick comparison:
| Valve Type | Best For | Flow Control | Code Compliant? |
|---|---|---|---|
| 2-Way Diverter | Switch between heads (not both) | One active at a time | Yes |
| 3-Way Transfer Valve | Use one, the other, or both | Full simultaneous flow | Yes (if rated) |
| Manual Push-Button | Budget setups | Limited pressure balance | Sometimes |
| Thermostatic + Transfer Combo | Luxury showers | Precise temp + flow control | Yes |
Recommendation: For true dual-head functionality, choose a 3-way thermostatic transfer valve (e.g., brands like Grohe, Hansgrohe, or Delta). They cost more ($120โ$250) but deliver consistent performance.
Common Mistakes to Avoid
โ Skipping the mixing valve โ Risk of scalding.
โ Using undersized piping โ Pressure drops below 30 PSI, triggering poor shower experience.
โ Ignoring local codes โ Your work may fail inspection or void insurance.
โ Installing valve behind inaccessible wall โ Future repairs require tile demolition.
A 2023 study by the National Association of Home Builders (NAHB) found that 68% of DIY plumbing failures stemmed from incorrect valve placement or missing safety components.
FAQ Section
Q1: Can I install two shower heads without a transfer valve?
Technically yes, but itโs not recommended. Without a valve, both heads run simultaneously at reduced pressure (often below 1.5 GPM each), and you canโt turn one off independently. Plus, it may violate plumbing codes requiring flow control.
Q2: Whatโs the difference between a diverter and a transfer valve?
A diverter typically shuts off one outlet when the other is active (e.g., tub spout vs. shower). A transfer valve can send water to one, the other, or both outletsโideal for dual shower heads.
Q3: Do I need a permit for this installation?
In most U.S. municipalities, yesโany modification to plumbing supply lines requires a permit and inspection. Check with your local building department.
Q4: Can I use PEX tubing for this setup?
Absolutely. PEX-A or PEX-B is code-approved for behind-wall shower installations. Just ensure you use crimp or expansion fittings rated for hot water (up to 200ยฐF).
Q5: How much does professional installation cost?
On average, $400โ$900, depending on wall access, valve type, and region (HomeAdvisor, 2024). DIY can save 50โ70% if youโre comfortable with basic plumbing.
Q6: Will two shower heads increase my water bill?
Only if both run at once. A 3-way valve lets you use one head (saving water) or both for luxury. To conserve, choose WaterSense-certified heads (โค2.0 GPM each).
Conclusion
Installing a 2 shower head system with a main valve and transfer valve isnโt just about luxuryโitโs about smart, code-compliant plumbing that delivers consistent performance and safety. With the right plumbing diagram, quality components, and careful execution, you can enjoy a spa-quality shower without calling a contractor.
โ Recap of benefits:
- Full control over water flow
- No pressure loss
- Meets U.S. plumbing codes
- Customizable experience
If this guide helped you, share it on Pinterest, Facebook, or Reddit to help fellow DIYers! Got questions? Drop them in the commentsโwe love helping homeowners succeed.
Remember: When in doubt, consult a licensed plumber. Safety and code compliance always come first.
Leave a Reply